Product Summary
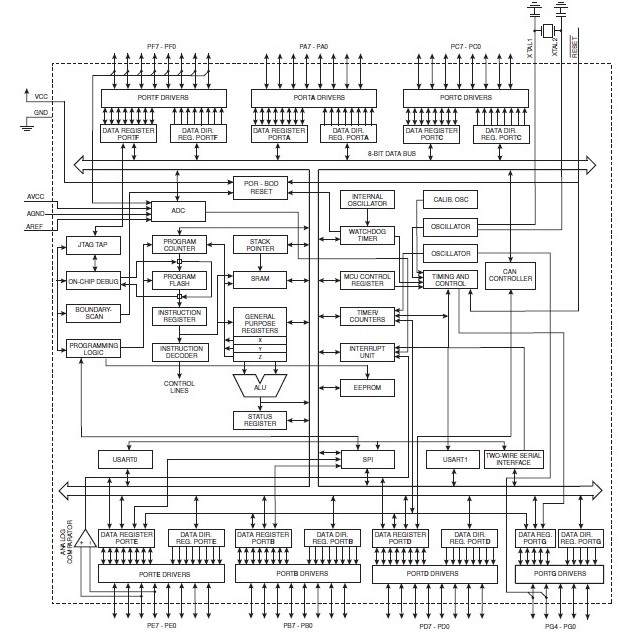
The AT90CAN128-16AU is a low-power CMOS 8-bit microcontroller based on the AVR enhanced RISC architecture. By executing powerful instructions in a single clock cycle, the AT90CAN128-16AU achieves throughputs approaching 1 MIPS per MHz allowing the system designer to optimize power consumption versus processing speed. The AVR core combines a rich instruction set with 32 general purpose working registers.
Parametrics
AT90CAN128-16AU absolute maximum ratings:(1)Industrial Operating Temperature: -40℃ to +85℃;(2)Storage Temperature: -65℃ to +150℃;(3)Voltage on any Pin except RESET with respect to Ground: -0.5V to VCC+0.5V;(4)Voltage on RESET with respect to Ground: -0.5V to +13.0V;(5)Voltage on VCC with respect to Ground: -0.5V to 6.0V;(6)DC Current per I/O Pin: 40.0 mA;(7)DC Current VCC and GND Pins: 200.0 mA.
Features
AT90CAN128-16AU features:(1)High-performance, Low-power AVR 8-bit Microcontroller;(2)133 Powerful Instructions- Most Single Clock Cycle Execution;(3)Fully Static Operation;(4)Up to 16 MIPS Throughput at 16 MHz;(5)Programming Lock for Software Security;(6)4K Bytes EEPROM (Endurance: 100,000 Write/Erase Cycles);(7)15 Full Message Objects with Separate Identifier Tags and Masks;(8)1M bits/s Maximum Transfer Rate at 8 MHz;(9)Programmable Watchdog Timer with On-chip Oscillator;(10)5 Sleep Modes: Idle, ADC Noise Reduction, Power-save, Power-down & Standby.etc.
Diagrams

| Image | Part No | Mfg | Description | ![]() |
Pricing (USD) |
Quantity | ||||||||||||
|---|---|---|---|---|---|---|---|---|---|---|---|---|---|---|---|---|---|---|
![]() |
![]() AT90CAN128-16AU |
![]() Atmel |
![]() 8-bit Microcontrollers (MCU) 128kB Flash 4kB EEPROM 53 I/O Pins |
![]() Data Sheet |
![]()
|
|
||||||||||||
![]() |
![]() AT90CAN128-16AUR |
![]() Atmel |
![]() 8-bit Microcontrollers (MCU) AVRC11 128K Flash Green |
![]() Data Sheet |
![]()
|
|
||||||||||||
(China (Mainland))










