Product Summary
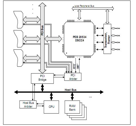
The PEB20534H-10V2.1 is a DMA Supported Serial Communication Controller with four independent serial channels1). The serial channels are derived from updated protocol logic of the ESCC PEB20534H-10V2.1 providing a large set of protocol support and variety in serial interface configuration. This allows easy integration to different environments and applications.
Parametrics
PEB20534H-10V2.1 absolute maximum ratings: (1)Ambient temperature under bias TA: 0 to 70 °C; (2)Junction temperature under bias TJ: 125 °C; (3)Storage temperature Tstg: – 65 to 125 °C; (4)Voltage at any pin with respect to ground VS: – 0.4 to VDD5 + 0.4 V.
Features
PEB20534H-10V2.1 features: (1)On chip clock generation or external clock sources; (2)On chip DPLLs for clock recovery; (3)Baud rate generator; (4)Clock gating signals; (5)Clock gapping capability; (6)Programmable time-slot capability for connection to TDM interfaces (e.g. T1, E1); (7)NRZ, NRZI, FM and Manchester data encoding; (8)Optional data flow control using modem control lines (RTS, CTS, CD); (9)Support of bus configuration by collision detection and resolution.
Diagrams

(China (Mainland))






