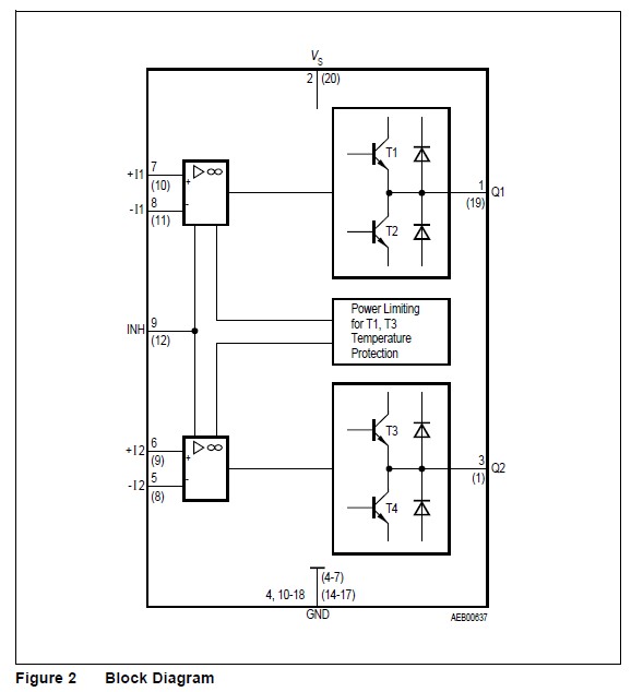
Product Summary
The TLE4205G is an integrated power full-bridge DC-motor driver for a wide temperature range, as required in automotive applications for example. The TLE4205G contains two power comparators that can be combined to a full-bridge circuit. For inductive loads there are integrated free-wheeling diodes to + VS and ground. The outputs are shortcircuit proof up to 18 V supply voltage to ground and turn off when overtemperature occurs. This IC TLE4205G is especially suitable for headlight-beam adjustment in automobiles.
Parametrics
TLE4205G absolute maximum ratings: (1)Supply voltage, VS: – 0.3 to 45 V; (2)Differential input voltage, VID: ± VS V max at ΔV8-9 or ΔV10-11; (3)Output current, IQ: – 1 to 1 A ; (4)Supply current, IS: 2.5 to 3 A ; (5)Ground current, IGND: – 3 to 2.5 A ; (6)Input voltage, VI: – 15 to VS at V8; V9; V10; V11; (7)Inhibit input, VInh: – 15 to VS V at V12 ; (8)Junction temperature, Tj: – 150 ℃ max; (9)Storage temperature, Tstg: – 50 to 150 ℃.
Features
TLE4205G features: (1)Max. driver current 1 A; (2)Integrated free-wheeling diodes; (3)Short-circuit proof to ground; (4)Inhibit; (5)ESD protected inputs; (6)Temperature range – 40 ℃ ≤ Tj ≤ 150 ℃.
Diagrams

| Image | Part No | Mfg | Description | ![]()  | 
                            Pricing (USD)  | 
                            Quantity | ||||||||||||
|---|---|---|---|---|---|---|---|---|---|---|---|---|---|---|---|---|---|---|
![]()  | 
                            ![]() TLE4205G  | 
                            ![]() Infineon Technologies  | 
                            ![]() Motor / Motion / Ignition Controllers & Drivers 1-A DC Motor Driver  | 
                            ![]() Data Sheet  | 
                            ![]() 
  | 
                            
                            	 | 
                      ||||||||||||
| Image | Part No | Mfg | Description | ![]()  | 
                            Pricing (USD)  | 
                            Quantity | ||||||||||||
![]()  | 
                            ![]() TLE4117  | 
                            ![]() Other  | 
                            ![]()  | 
                            ![]() Data Sheet  | 
                            ![]() Negotiable  | 
                            
                            	 | 
                      ||||||||||||
![]()  | 
                            ![]() TLE4203  | 
                            ![]() Other  | 
                            ![]()  | 
                            ![]() Data Sheet  | 
                            ![]() Negotiable  | 
                            
                            	 | 
                      ||||||||||||
![]()  | 
                            ![]() TLE4203G  | 
                            ![]() Other  | 
                            ![]()  | 
                            ![]() Data Sheet  | 
                            ![]() Negotiable  | 
                            
                            	 | 
                      ||||||||||||
![]()  | 
                            ![]() TLE4205  | 
                            ![]() Infineon Technologies  | 
                            ![]() Motor / Motion / Ignition Controllers & Drivers 1-A DC Motor Driver  | 
                            ![]() Data Sheet  | 
                            ![]() Negotiable  | 
                            
                            	 | 
                      ||||||||||||
![]()  | 
                            ![]() TLE4205G  | 
                            ![]() Infineon Technologies  | 
                            ![]() Motor / Motion / Ignition Controllers & Drivers 1-A DC Motor Driver  | 
                            ![]() Data Sheet  | 
                            ![]() 
  | 
                            
                            	 | 
                      ||||||||||||
![]()  | 
                            ![]() TLE4206  | 
                            ![]() Other  | 
                            ![]()  | 
                            ![]() Data Sheet  | 
                            ![]() Negotiable  | 
                            
                            	 | 
                      ||||||||||||
 (China (Mainland)) 
                         
                        
                                    








