Product Summary
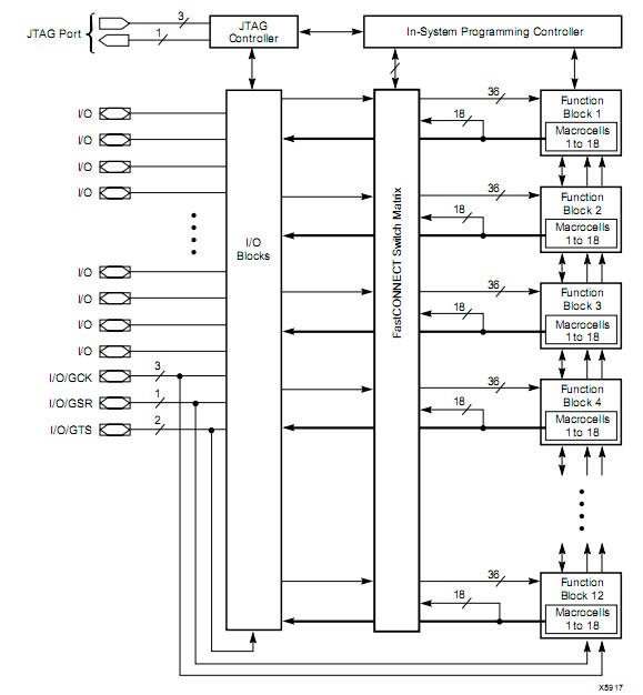
The XC95216-10PQ160I is an in-system programmable CPLD providing advanced in-system programming and test capabilities for general purpose logic integration. It is comprised of twelve 36V18 Function Blocks, providing 4,800 usable gates with propagation delays of 10 ns.
Parametrics
XC95216-10PQ160I absolute maximum ratings: (1)Supply voltage relative to GND: -0.5 to 7.0 V; (2)DC input voltage relative to GND: -0.5 to VCC + 0.5 V; (3)Voltage applied to 3-state output with respect to GND: -0.5 to VCC + 0.5 V; (4)Storage temperature: -65 to +150 ℃; (5)Max soldering temperature (10 s @ 1/16 in = 1.5 mm): +260 ℃.
Features
XC95216-10PQ160I features: (1)10 ns pin-to-pin logic delays on all pins; (2)fCNT to 111 MHz; (3)216 macrocells with 4800 usable gates; (4)Up to 166 user I/O pins; (5)5 V in-system programmable; (6)Enhanced pin-locking architecture; (7)Flexible 36V18 Function Block; (8)Extensive IEEE Std 1149.1 boundary-scan (JTAG) support; (9)Programmable power reduction mode in each macrocell; (10)Slew rate control on individual outputs; (11)User programmable ground pin capability; (12)Extended pattern security features for design protection; (13)High-drive 24 mA outputs; (14)3.3 V or 5 V I/O capability; (15)Advanced CMOS 5V FastFLASH technology; (16)Supports parallel programming of more than one XC9500 concurrently; (17)Available in 160-pin PQFP, 352-pin BGA, and 208-pin HQFP packages.
Diagrams

| Image | Part No | Mfg | Description | ![]() |
Pricing (USD) |
Quantity | ||||||||||||||||
|---|---|---|---|---|---|---|---|---|---|---|---|---|---|---|---|---|---|---|---|---|---|---|
![]() |
![]() XC95216-10PQ160I |
![]() |
![]() IC CPLD 216 MCELL I-TEMP 160PQFP |
![]() Data Sheet |
![]() Negotiable |
|
||||||||||||||||
| Image | Part No | Mfg | Description | ![]() |
Pricing (USD) |
Quantity | ||||||||||||||||
![]() |
![]() XC9500 |
![]() Other |
![]() |
![]() Data Sheet |
![]() Negotiable |
|
||||||||||||||||
![]() |
![]() XC9500XV |
![]() Other |
![]() |
![]() Data Sheet |
![]() Negotiable |
|
||||||||||||||||
![]() |
![]() XC9501 |
![]() Other |
![]() |
![]() Data Sheet |
![]() Negotiable |
|
||||||||||||||||
![]() |
![]() XC9502 |
![]() Other |
![]() |
![]() Data Sheet |
![]() Negotiable |
|
||||||||||||||||
![]() |
![]() XC9503 |
![]() Other |
![]() |
![]() Data Sheet |
![]() Negotiable |
|
||||||||||||||||
![]() |
![]() XC9503B093AR-G |
![]() |
![]() IC REG BUCK ADJ 1A DL 10MSOP |
![]() Data Sheet |
![]()
|
|
||||||||||||||||
(China (Mainland))










