Product Summary
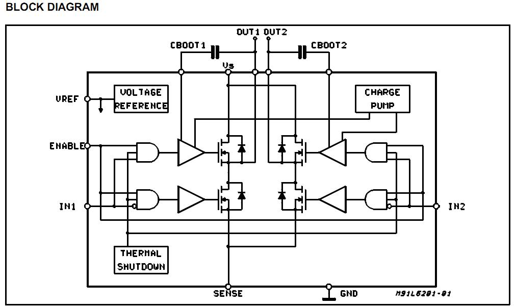
The L6201PS is a full bridge driver for motor control applications realized in Multipower-BCD technology which combines isolated DMOS power transistors with CMOS and Bipolar circuits on the same chip. By using mixed technology the L6201PS has been possible to optimize the logic circuitry and the power stage to achieve the best possible performance. The DMOS output transistors can operate at supply voltages up to 42V and efficiently at high switch-ing speeds. All the logic inputs of the L6201PS are TTL, CMOS and μC compatible. Each channel (half-bridge) of the device is controlled by a separate logic input, while a common enable controls both channels. The L6201PS is mounted in three different packages.
Parametrics
L6201PS absolute maximum ratings: (1)Vs,Power Supply: 52 V; (2)VOD,Differential Output Voltage (between Out1 and Out2): 60 V; (3)VIN,VEN, Input or Enable Voltage: –0.3 to + 7 V; (4)Io,Pulsed Output Current: 5A; (5)Vsense Sensing Voltage: –1 to + 4 V; (6)Vb Boostrap Peak Voltage: 60 V; (7)Ptot Total Power Dissipation: 4W; (8)Tstg,Tj,Storage and Junction Temperature: –40 to + 150℃.
Features
L6201PS features: (1)supply voltage up to 48V; (2)2A max peak current; (3)total rms current up to 1A; (4)RDS (ON) 0.3Ω (typical value at 25℃); (5)cross conduction protection; (6)TTL compatible drive; (7)operating frequency up to 100 KHz; (8)thermal shutdown; (9)internal logic supply; (10)high efficiency.
Diagrams

| Image | Part No | Mfg | Description | ![]() |
Pricing (USD) |
Quantity | ||||||||||||
|---|---|---|---|---|---|---|---|---|---|---|---|---|---|---|---|---|---|---|
![]() |
![]() L6201PS |
![]() STMicroelectronics |
![]() Motor / Motion / Ignition Controllers & Drivers DMOS Full Bridge |
![]() Data Sheet |
![]()
|
|
||||||||||||
![]() |
![]() L6201PSTR |
![]() STMicroelectronics |
![]() Motor / Motion / Ignition Controllers & Drivers DMOS Full Bridge |
![]() Data Sheet |
![]()
|
|
||||||||||||
(China (Mainland))









