Product Summary
The CS8900A-CQZ is a crystal LANTM ISA Ethernet controller, which is a true single-chip, full-duplex, Ethernet solution, incorporating all of the analog and digital circuitry needed for a complete Ethernet circuit. It incorporates a 4-Kbyte page of on-chip memory, eliminating the cost and board area associated with external memory chips. The CS8900A-CQZ is designed to work well in either motherboard or adapter applications.
Parametrics
CS8900A-CQZ absolute maximum ratings: (1)Power Supply: -0.3 to 6.0 V; (2)Input Current (Except Supply Pins): ±10.0 mA; (3)Analog Input Voltage: -0.3 (AVDD+) to + 0.3 V; (4)Digital Input Voltage: -0.3 (DVDD) to + 0.3 V; (5)Ambient Temperature (Power Applied): -55 +125 ℃; (6)Storage Temperature: -65 +150℃.
Features
CS8900A-CQZ features: (1)Single-Chip IEEE 802.3 Ethernet Controller with Direct ISA-Bus Interface; (2)Maximum Current Consumption = 55 mA (5V Supply); (3)3 V or 5 V Operation; (4)Industrial Temperature Range; (5)Comprehensive Suite of Software Drivers Available; (6)Efficient PacketPage. Architecture Operates in I/O and Memory Space, and as DMA Slave; (7)Full Duplex Operation; (8)On-Chip RAM Buffers Transmit and Receive Frames; (9)EEPROM Support for Jumperless Configuration; (10)Boot PROM Support for Diskless Systems; (11)Boundary Scan and Loopback Test; (12)LED Drivers for Link Status and LAN.
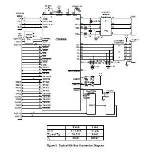
Diagrams

| Image | Part No | Mfg | Description | ![]()  | 
                            Pricing (USD)  | 
                            Quantity | ||||||||||||
|---|---|---|---|---|---|---|---|---|---|---|---|---|---|---|---|---|---|---|
![]() CS8900A-CQZ  | 
                            ![]() Cirrus Logic  | 
                            ![]() Ethernet ICs IC 10Mbps Ethernet Controller 5V  | 
                            ![]() Data Sheet  | 
                            ![]() 
  | 
                            
                            	 | 
                      |||||||||||||
![]()  | 
                            ![]() CS8900A-CQZR  | 
                            ![]() Cirrus Logic  | 
                            ![]() Ethernet ICs IC 10Mbps Ethernet Controller 5V  | 
                            ![]() Data Sheet  | 
                            ![]() 
  | 
                            
                            	 | 
                      ||||||||||||
 (China (Mainland)) 
                         
                        
                                    







