Product Summary
The JANTX2N6660 is a N-channel, enhancement-mode, low-threshold logic level, high frequency, high switching speed MOSFET, power transistor.
Parametrics
Absolute maximum ratings: (1)PT 1/TC = +25℃: 6.25W; (2)PT, TA = +25℃: 725mW; (3)VDS: 60Vdc; (4)VDGR: 60Vdc; (5)VGS: ± 20Vdc; (6)ID1 2/TC = +25℃: 0.99Adc; (7)ID2 2/TC = +100℃: 0.62Adc; (8)IS: -0.99Adc; (9)IDM: 3A(pk); (10)TJ and TSTG: -65 to +150℃.
Features
Features: (1)IM measuring current: 10mA; (2)IM drain heating current: 0.41A; (3)tH heating time: Steady state (see MIL-STD-750, method 3161 for definition); (4)VH drain-source heating voltage: 10V; (5)tMD measurement time delay: 10 to 80ms; (6)tSW sample window time: 10ms(max).
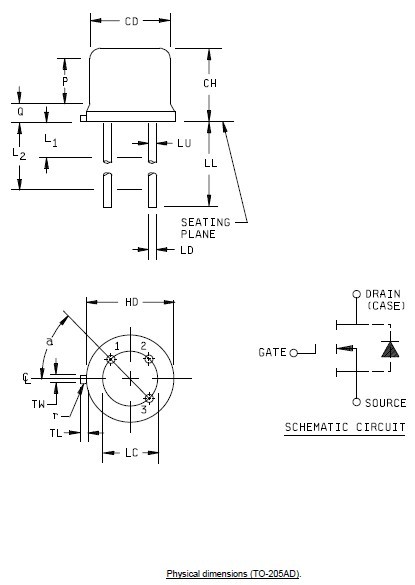
Diagrams

![]() |
![]() JANTX |
![]() Other |
![]() |
![]() Data Sheet |
![]() Negotiable |
|
||||||||||||
![]() |
![]() JANTX1N3957 |
![]() TE Connectivity |
![]() General Purpose / Industrial Relays 1000 V DIODE |
![]() Data Sheet |
![]()
|
|
||||||||||||
![]() |
![]() JANTX1N5615 |
![]() |
![]() DIODE 1A 200V AXIAL |
![]() Data Sheet |
![]() Negotiable |
|
||||||||||||
![]() |
![]() JANTX1N6067A |
![]() Other |
![]() |
![]() Data Sheet |
![]() Negotiable |
|
||||||||||||
![]() |
![]() JANTX1N6101 |
![]() Other |
![]() |
![]() Data Sheet |
![]() Negotiable |
|
||||||||||||
![]() |
![]() JANTX1N6762 |
![]() Other |
![]() |
![]() Data Sheet |
![]() Negotiable |
|
||||||||||||
(China (Mainland))








