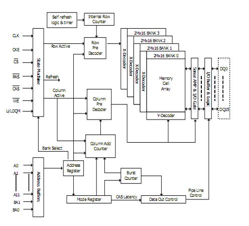
Product Summary
The Hynix H57V1262GTR-75C is a 134,217,728bit CMOS Synchronous DRAM, ideally suited for the memory applications which require wide data I/O and high bandwidth. The H57V1262GTR-60C is organized as 4banks of 2,097,152 x 16. The H57V1262GTR-75C is offering fully synchronous operation referenced to a positive edge of the clock. All inputs and outputs are synchronized with the rising edge of the clock input.
Parametrics
H57V1262GTR-75C absolute maximum ratings: (1)Ambient Temperature, TA: 0 to 70℃; (2)Storage Temperature, TSTG: -55 to 125℃; (3)Voltage on Any Pin relative to VSS, VIN, VOUT: -1.0 to 4.6V; (4)Voltage on VDD supply relative to VSS, VDD, VDDQ: -1.0 to 4.6V; (5)Short Circuit Output Current, IOS: 50mA; (6)Power Dissipation, PD: 1W.
Features
H57V1262GTR-75C features: (1)Voltage: VDD, VDDQ 3.3V supply voltage; (2)All device pins are compatible with LVTTL interface; (3)54 Pin TSOPII (Lead Free Package); (4)All inputs and outputs referenced to positive edge of system clock; (5)Data mask function by UDQM, LDQM; (6)Internal four banks operation; (7)Auto refresh and self refresh; (8)4096 Refresh cycles / 64ms ; (9)Programmable Burst Length and Burst Type: 1, 2, 4, 8 or full page for Sequential Burst, 1, 2, 4 or 8 for Interleave Burst; (10)Programmable CAS Latency; 2, 3 Clocks; (11)Burst Read Single Write operation; (12)Operating Temperature: Commercial Temperature (0 to 70℃), Industrial Temperature (-40 to 85℃).
Diagrams

(China (Mainland))






