Product Summary
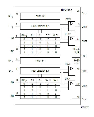
The TLE4208G is a 1-A Quad-HBD (Quad-Half-Bridge Driver). It is designed specially for automotive and industrial motion control applications. The part is built using the Siemens bipolar high voltage power technology DOPL. In a cascade configuration up to three actuators (DC motors) can be connected between the four half-bridges.
Parametrics
TLE4208G absolute maximum ratings: (1)Junction temperature:– 40 to 150 °C; (2)Storage temperature:– 50 to 150 °C; (3)output current:-1 to 1A; (4)supply voltage: -0.3 to 45V; (5)logic input voltages: -5 to 20V.
Features
TLE4208G features: (1)Driver for up to 3 motors; (2)Delivers up to 0.8 A continuous; (3)Optimized for DC motor management applications; (4)Very low current consumption in stand-by (Inhibit) mode; (5)Low saturation voltage; typ.1.2 V total @ 25 °C; 0.4 A; (6)Output protected against short circuit; (7)Error flag diagnosis; (8)Overvoltage lockout and diagnosis; (9)Undervoltage lockout; (10)CMOS/TTL compatible inputs with hysteresis; (11)No crossover current; (12)Internal clamp diodes; (13)Overtemperature protection with hysteresis and diagnosis; (14)Enhanced power P-DSO-Package.
Diagrams

| Image | Part No | Mfg | Description | ![]() |
Pricing (USD) |
Quantity | ||||||||||||
|---|---|---|---|---|---|---|---|---|---|---|---|---|---|---|---|---|---|---|
![]() |
![]() TLE4208G |
![]() Infineon Technologies |
![]() Motor / Motion / Ignition Controllers & Drivers AUTOMOTIVE MOTOR DRIVER |
![]() Data Sheet |
![]()
|
|
||||||||||||
| Image | Part No | Mfg | Description | ![]() |
Pricing (USD) |
Quantity | ||||||||||||
![]() |
![]() TLE4117 |
![]() Other |
![]() |
![]() Data Sheet |
![]() Negotiable |
|
||||||||||||
![]() |
![]() TLE4203 |
![]() Other |
![]() |
![]() Data Sheet |
![]() Negotiable |
|
||||||||||||
![]() |
![]() TLE4203G |
![]() Other |
![]() |
![]() Data Sheet |
![]() Negotiable |
|
||||||||||||
![]() |
![]() TLE4205 |
![]() Infineon Technologies |
![]() Motor / Motion / Ignition Controllers & Drivers 1-A DC Motor Driver |
![]() Data Sheet |
![]() Negotiable |
|
||||||||||||
![]() |
![]() TLE4205G |
![]() Infineon Technologies |
![]() Motor / Motion / Ignition Controllers & Drivers 1-A DC Motor Driver |
![]() Data Sheet |
![]()
|
|
||||||||||||
![]() |
![]() TLE4206 |
![]() Other |
![]() |
![]() Data Sheet |
![]() Negotiable |
|
||||||||||||
(China (Mainland))










